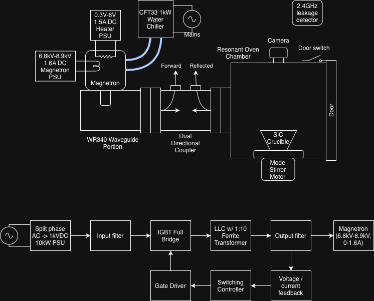
Microwave Furnace
10kW of 2.4GHz RF :3
Check out this project’s page on the Noisebridge Wiki

UPDATE Feb 2025
This project got put on hold since I left South Carolina and no longer had the space por infrastructure, but it has been revived!! Details to be worked out, but I am working with the folks over at Noisebridge to build the driver, cooling and waveguide for an insane microwave furnace in their space!
So far I have acquired:
- The Magnetron
- WR340 adapter for magnetron
- A suitable 10kW DC Sputtering PSU, seen here (1kVDC out)
- A chiller for the magnetron cooling loop + appropriate tubing
- mSLA Printable Wax Castable Resin, Petrobond, and SiC crucibles
- Supplies to build the LLC resonant converter to step up the 2kV from the main PSU to the 9.6kV 0-1.6A DC PSU needed for the magnetron (IGBTs, big ferrite U cores, HV film capacitors)
- WR340 60dB dual directional coupler for forward and reflected power measurements
- RF power sensor (-60dBm - 40dBm) + attenuators for forward and reflected measurements
- RF leakage detector to sit outside of waveguide
To do:
- Constructing and testing the resonant 2kV->9kV LLC step up converter
- Constructing the waveguide
- Constructing a rolling enclosure with integrates all the equipment and work space to safely operate the system
- How to ensure everything is safe in a community space. This will include discussions with Noisebridge about interlock systems, HV isolation, RF leakage detection, thermal shutdown, extensive documentation, training courses, etc
- Test DIY SiC crucibles and crucible insulation
You can see this magentron in action here as a teaser :)
Magnetron, Chiller and Tubing, 10kW sputtering PSUs